| штат: | |
|---|---|
Тип режима ZHC
Керамический конденсатор с ультра -высоким напряжением
Функции:
Номинальное напряжение UR - более 10 кВ.dc.
Размер SAMLL и напряжение с высокой диэлектрической прочностью
Покрыт пламенной эпоксидной смолой.
Низкий коэффициент рассеяния и превосходные частотные характеристики.
Этот вид конденсаторов в основном состоит из CT81. CC81 Радиальный тип свинца, HFC, тип плесени ZHC и конденсаторы сети высокого напряжения HPC.
Приложения:
Высокие расходные материалы DC Power, такие как лазеры, рентгеновские аппараты, воздухоочистители и т. Д.
Используется в цепях фокусировки для цветового дисплея, что делает изображение лучше всего на целом экране.
Используется в электростатических машинах для покрытия.
Спецификация:
Температурная диапазон | Условие испытания | ||
-25 ℃ ~+85 ℃ | температура | Напряжение | частота |
20 ± 2 ℃ | 1,0 ± 0,2 В. | 1 кГц или 1 МГц | |
Оцененное напряжение (UR): 10-40KV.DC
Номинальная емкость: 1-10000PF
Толерантность: J: ± 5%; K ; ± 10%; М: ± 20%
Температура Чар.: Bn, B, R, D, E, F, SL, YL.
Коэффициент рассеивания: BN≤0,5% R, D≤0,2%
B, E, F≤2,5% (1 кГц)
SL, YL≤0,15% (1 МГц)
Сопротивление изоляции: 10000 мм мин.
Тестовое напряжение: 1,5UR
HFC Focus Type:
Эти виды конденсаторов в основном состоят из типа HFC-11 и HFC-12.
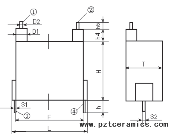
Измерение внешнего вида и схематического рисунка
Кодекс № | L ± 1,0 | H ± 1,0 | F ± 1,0 | T ± 1,0 | D1 Φ ± 0,5 | D2 Φ ± 0,1 | H1 ± 0,5 | H2 ± 0,5 | H3 ± 0,5 | H4 ± 0,5 | H5 ± 0,5 | H6 ± 1,0 | S1 ± 0,1 | С2 ± 0,1 | d Φ ± 0,1
|
HFC-11-15KV-102K | 27.0 | 38.0 | 18.0 | 14.5 | 5.8 | 3.2 | 4.5 | 2.8 | 1.7 | 10.0 | 600 (480) | 9.0 | 1.0 | ||
HFC-12-15KV-102K | 34.0 | 27.0 | 31.0 | 18.0 | 6.4 | 2.35 | 4.5 | 8.0 | 3.3 | 0.7 | 1.75 |
| Кодекс № | Измерение внешнего вида | Схематический рисунок |
| HFC-11 | ![]() | ![]() |
| HFC-12 | ![]() | ![]() |
Контакт:
Электронная почта: sales@pztceramics.com
violet.shan@pztceramics.com
Тел.: +86 131 6536 1320
Интернет: www.pztceramics.com
Керамический конденсатор с ультра -высоким напряжением
Функции:
Номинальное напряжение UR - более 10 кВ.dc.
Размер SAMLL и напряжение с высокой диэлектрической прочностью
Покрыт пламенной эпоксидной смолой.
Низкий коэффициент рассеяния и превосходные частотные характеристики.
Этот вид конденсаторов в основном состоит из CT81. CC81 Радиальный тип свинца, HFC, тип плесени ZHC и конденсаторы сети высокого напряжения HPC.
Приложения:
Высокие расходные материалы DC Power, такие как лазеры, рентгеновские аппараты, воздухоочистители и т. Д.
Используется в цепях фокусировки для цветового дисплея, что делает изображение лучше всего на целом экране.
Используется в электростатических машинах для покрытия.
Спецификация:
Температурная диапазон | Условие испытания | ||
-25 ℃ ~+85 ℃ | температура | Напряжение | частота |
20 ± 2 ℃ | 1,0 ± 0,2 В. | 1 кГц или 1 МГц | |
Оцененное напряжение (UR): 10-40KV.DC
Номинальная емкость: 1-10000PF
Толерантность: J: ± 5%; K ; ± 10%; М: ± 20%
Температура Чар.: Bn, B, R, D, E, F, SL, YL.
Коэффициент рассеивания: BN≤0,5% R, D≤0,2%
B, E, F≤2,5% (1 кГц)
SL, YL≤0,15% (1 МГц)
Сопротивление изоляции: 10000 мм мин.
Тестовое напряжение: 1,5UR
HFC Focus Type:
Эти виды конденсаторов в основном состоят из типа HFC-11 и HFC-12.
Измерение внешнего вида и схематического рисунка
Кодекс № | L ± 1,0 | H ± 1,0 | F ± 1,0 | T ± 1,0 | D1 Φ ± 0,5 | D2 Φ ± 0,1 | H1 ± 0,5 | H2 ± 0,5 | H3 ± 0,5 | H4 ± 0,5 | H5 ± 0,5 | H6 ± 1,0 | S1 ± 0,1 | С2 ± 0,1 | d Φ ± 0,1
|
HFC-11-15KV-102K | 27.0 | 38.0 | 18.0 | 14.5 | 5.8 | 3.2 | 4.5 | 2.8 | 1.7 | 10.0 | 600 (480) | 9.0 | 1.0 | ||
HFC-12-15KV-102K | 34.0 | 27.0 | 31.0 | 18.0 | 6.4 | 2.35 | 4.5 | 8.0 | 3.3 | 0.7 | 1.75 |
| Кодекс № | Измерение внешнего вида | Схематический рисунок |
| HFC-11 | ![]() | ![]() |
| HFC-12 | ![]() | ![]() |
Контакт:
Электронная почта: sales@pztceramics.com
violet.shan@pztceramics.com
Тел.: +86 131 6536 1320
Интернет: www.pztceramics.com